Jiangsu Xingtai Hidrolik İmalat Co Ltd. 1992 yılında kurulmuş olup Çin'in Jiangsu Eyaleti, Taizhou Şehrinde bulunmaktadır. Şirket, hidrolik tel halat presleme makineleri, tel halat tavlama ve konikleştirme makineleri, alüminyum manşonlar ve kaldırma kelepçeleri üretiminde uzmanlaşmıştır. Xingtai Hidrolik gelişmiş üretim tesisleri, güçlü teknik yetenekleri, yetkili test ekipmanları ve kapsamlı bir kalite yönetim sistemi ile donatılmıştır.
Xingtai hidrolik makinelerinin dövme bileşenleri, yüksek mukavemetli alaşımlı çelikten dövülmüştür. Makine gövdesi tek parça malzemeden üretilmiştir, bu da yapısal bütünlüğünü ve uzun ömürlü olmasını garanti eder. Hidrolik sistemlerimiz, hızlı yukarı ve aşağı hareket sağlarken aynı zamanda düzenli bir presleme süreci garanti eden çift basınçlı yağ besleme sistemi kullanır. Bu tasarım, presleme kalitesini ve verimliliği önemli ölçüde artırır.
Xingtai Hidrolik makineleri İngiltere, Avustralya, Hollanda, Letonya, Malezya, Tayland, Hindistan, Rusya, Botsvana, Polonya ve diğerleri dahil olmak üzere çok sayıda ülkeye ihraç edilmiştir.
"Yüksek kalite, rekabetçi fiyat ve kalıcı bağlılık" felsefesinin rehberliğinde, müşterilerimizin ihtiyaçlarını karşılamaya ve onlara en iyi hizmeti sunmaya çalışıyoruz. Başarılı bir gelecek inşa etmek için birlikte çalıştığımız aynı mükemmellik seviyesiyle hem mevcut hem de yeni müşterilerimize hizmet etmeye kendimizi adadık.
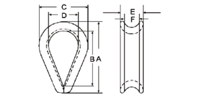
| Boyut (mm) | Boyutlar(mm) | WT/PC(kg) | |||||
| A | B | c | D | E | F | ||
| 3 | 28 | 19 | 18.5 | 12 | 6 | 3 | 0.5 |
| 4 | 30 | 21 | 20.5 | 13 | 7 | 4 | 0.8 |
| 5 | 33 | 23 | 22.5 | 14 | 8 | 5 | 1 |
| 6 | 39 | 26 | 27 | 16 | 10 | 6 | 1.6 |
| 7 | 43 | 30 | 30 | 18 | 11 | 7 | 1.9 |
| 8 | 48 | 32 | 33 | 20 | 12 | 8 | 3 |
| 10 | 58 | 38 | 39 | 24 | 14 | 10 | 4.7 |
| 12 | 69 | 45 | 47 | 28 | 17 | 12 | 6.8 |
| 13 | 73 | 48 | 50 | 30 | 18 | 13 | 8 |
| 14 | 77 | 51 | 53 | 32 | 19 | 14 | 10 |
| 16 | 88 | 58 | 60 | 36 | 22 | 16 | 14.5 |
| 17 | 95 | 61 | 65 | 38 | 25 | 17 | 18 |
| 18 | 100 | 64 | 68 | 40 | 26 | 18 | 20 |
| 20 | 113 | 72 | 75 | 45 | 28 | 20 | 29 |
| 22 | 123 | 80 | 82 | 50 | 30 | 22 | 32 |
| 24 | 135 | 90 | 92 | 56 | 34 | 24 | 47 |
| 26 | 145 | 99 | 100 | 62 | 36 | 26 | 59 |
| 28 | 162 | 112 | 110 | 70 | 38 | 28 | 80 |
| 30 | 175 | 120 | 120 | 75 | 42 | 30 | 110 |

Tel halat yüksükleri, tel halatların gözlerini (halkalarını) güçlendirmek, bağlantı noktalarında aşınmayı, bükülmeyi ve erken arızayı önlemek için tasarlanmış küçük, dayanıklı bağlantı parçalarıdır. Galvanizli çelik, paslanmaz çelik veya alüminyum gibi korozyona dayanıklı malzemelerden yapılmış olup iç, dış, deniz ve endüstriyel ortamlara uygundur.
Çekirdek Fonksiyonlar
Aşınmayı Önleyin: İp gözü için pürüzsüz, sert bir iç yüzey oluştururlar, ip ile donanım (örneğin prangalar, kancalar) arasında yıpranmaya neden olan doğrudan sürtünmeyi önlerler.
Halat Bütünlüğünü Koruyun: Halatın doğal şeklini koruyarak yüksükler bükülmeyi veya ezilmeyi durdurur—zamanla halat gücünü zayıflatan yaygın sorunlar.
Yük Güvenliğini Artırın: Gerginliği göze eşit şekilde dağıtırlar, böylece halatın bağlantı noktalarında stres konsantrasyonu olmadan nominal yükleri tutmasını sağlarlar.
Temel Özellikler ve Uygulamalar
Malzeme Seçenekleri: Genel kullanım için galvanizli çelik, tuzlu su / nemli ayarlar için paslanmaz çelik ve hafif ihtiyaçlar için alüminyum.
Boyutlar: Belirli çaplardaki metal kablolar için uygun boyutlarda mevcuttur (örneğin, 1/8” ila 1”) — her zaman optimum performans için doğru boyutta.
Yaygın kullanım alanları: Kaldırma dişlileri, denizcilik donanımları, inşaat, tarım ve DIY projeleri (örneğin, tekne iskelelerini sabitlemek, ağır aydınlatma armatürlerini asmak) için idealdir.
Tel halat klipsleri veya swages ile kurulumu kolay olan bu yüksükler, halat ömrünü uzatır ve güvenlik risklerini azaltır, bu da onları herhangi bir tel halat kurulumuna uygun maliyetli bir ek yapar.
English
русский
Français
Español
Português
Deutsch
عربى
Türk




