Jiangsu Xingtai Hidrolik İmalat Co Ltd. 1992 yılında kurulmuş olup Çin'in Jiangsu Eyaleti, Taizhou Şehrinde bulunmaktadır. Şirket, hidrolik tel halat presleme makineleri, tel halat tavlama ve konikleştirme makineleri, alüminyum manşonlar ve kaldırma kelepçeleri üretiminde uzmanlaşmıştır. Xingtai Hidrolik gelişmiş üretim tesisleri, güçlü teknik yetenekleri, yetkili test ekipmanları ve kapsamlı bir kalite yönetim sistemi ile donatılmıştır.
Xingtai hidrolik makinelerinin dövme bileşenleri, yüksek mukavemetli alaşımlı çelikten dövülmüştür. Makine gövdesi tek parça malzemeden üretilmiştir, bu da yapısal bütünlüğünü ve uzun ömürlü olmasını garanti eder. Hidrolik sistemlerimiz, hızlı yukarı ve aşağı hareket sağlarken aynı zamanda düzenli bir presleme süreci garanti eden çift basınçlı yağ besleme sistemi kullanır. Bu tasarım, presleme kalitesini ve verimliliği önemli ölçüde artırır.
Xingtai Hidrolik makineleri İngiltere, Avustralya, Hollanda, Letonya, Malezya, Tayland, Hindistan, Rusya, Botsvana, Polonya ve diğerleri dahil olmak üzere çok sayıda ülkeye ihraç edilmiştir.
"Yüksek kalite, rekabetçi fiyat ve kalıcı bağlılık" felsefesinin rehberliğinde, müşterilerimizin ihtiyaçlarını karşılamaya ve onlara en iyi hizmeti sunmaya çalışıyoruz. Başarılı bir gelecek inşa etmek için birlikte çalıştığımız aynı mükemmellik seviyesiyle hem mevcut hem de yeni müşterilerimize hizmet etmeye kendimizi adadık.
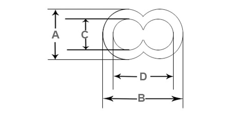
| Modu | Tel halatın çapı (mm) | Alüminyum manşonun boyutu (mm) | Uzunluk (mm) | Ağırlık (g/pc) | |||
| A | B | C | D | ||||
| XTH-1/16" | 1.6 | 4.37 | 6.35 | 1.96 | 4 | 9.6 | 0.41 |
| XTH-5/64" | 2 | 5.56 | 7.95 | 2.39 | 4.8 | 9.6 | 0.73 |
| XTH-3/32" | 2.4 | 7.06 | 10.26 | 3.3 | 6.5 | 12.7 | 1.45 |
| XTH-1/8" | 3.2 | 8.71 | 12.7 | 3.96 | 7.9 | 15.9 | 2.9 |
| XTH-5/32" | 4 | 9.53 | 14.3 | 4.75 | 9.5 | 17.5 | 3.63 |
| XTH-3/16" | 5.1 | 11.2 | 16.9 | 5.66 | 11.4 | 25.4 | 7.17 |
| XTH-7/32" | 5.6 | 12.7 | 19.1 | 6.35 | 12.7 | 27 | 10.07 |
| XTH-1/4" | 6.4 | 13.61 | 20.8 | 7.37 | 14.6 | 28.6 | 11.43 |
| XTH-9/32" | 7.1 | 14.27 | 22.35 | 7.92 | 16 | 30.2 | 12.81 |
| XTH-5/16" | 8 | 17.45 | 26.19 | 9.53 | 18.3 | 31.7 | 20.41 |
| XTH-3/8" | 9.6 | 19.05 | 29.36 | 11.13 | 21.4 | 36.5 | 29.53 |
| XTH-7/16" | 11.1 | 23.8 | 36.5 | 17.7 | 25.4 | 42.8 | 53.53 |
Alüminyum Kum Saati Kol, kum saati yüksükleri olarak da adlandırılan, güvenilir performans için ekstrüzyon ve işleme yoluyla dikişsiz alüminyumdan üretilen, hassas mühendislik ürünü bir tel halat bağlantı parçasıdır. Farklı kum saati şekli, ona mekanik aletlerle elle kıvırma için optimize edilmiş adını kazandırır—Hidrolik preslere gerek yoktur—yapım kurulumu hızlı ve erişilebilir.
Alüminyum, yüksek gerilimli / hafif çelik veya galvanizli tel halat için tasarlanmıştır (paslanmaz çelikle eşleşmekten kaçının; bunun yerine çinko kaplı bakır manşonlar kullanın ), her boyut, sıkı bir uyum için belirli tel çaplarıyla eşleşir. Yüksükle düzgün bir şekilde dövüldüğünde (kuvvetin eşit şekilde dağıtılması ve tel aşınmasının azaltılması için), kalıcı, güvenli bir bağlantı oluşturarak %90 sonlandırma verimliliği sağlar.
Korozyon direnci için eloksallanmış olup deniz, tarım, inşaat ve sahne donanım ortamlarında, hatta tuzlu suya maruz kaldığında bile gelişir. Hafif ama güçlü alüminyum yapısı, vinçlerin veya makaraların engellenmesini önleyerek düzeneklerin düşük profilli olmasını sağlar.
Ismarlama boyutları mevcuttur ve ISO 9001 ve CE standartlarını karşılamaktadır. Güvenlik için, üretici dövme yönergelerini izleyin ve özellikle kritik kaldırma için bir go / no-go göstergesi ile doğrulayın. Tel halat ekleme ve sonlandırma için dayanıklı, uygun maliyetli bir seçim.
English
русский
Français
Español
Português
Deutsch
عربى
Türk




